Product Summary
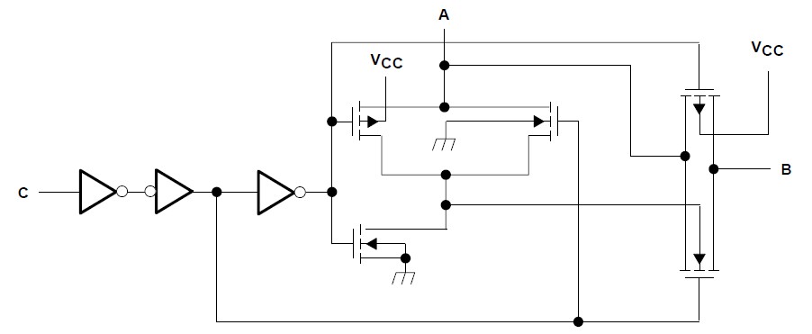
The SN74HC4066DBLE is a silicon-gate CMOS quad ruple analog switch designed to handle both analog and digital signals. Each switch permits signals with amplitudes of up to 6 V (peak) to be transmitted in either direction. Each switch section has its own enable input control (C). A high-level voltage applied to C turns on the associated switch section. Applications of the SN74HC4066DBLE include signal gating, chopping, modulation or demodulation (modem), and signal multiplexing for analog-to-digital and digital-to-analog conversion systems.
Parametrics
SN74HC4066DBLE absolute maximum ratings: (1)Supply voltage range, VCC: –0.5V to 7V; (2)Control-input diode current, II (VI < 0 or VI > VCC): ±20mA; (3)I/O port diode current, II (VI < 0 or VI/O > VCC): ±20mA; (4)On-state switch current (VI/O = 0 to VCC): ±25mA; (5)Continuous current through VCC or GND: ±50mA; (6)Package thermal impedance, θJA, D package: 86℃/W; (7)Package thermal impedance, θJA, DB package: 96℃/W; (8)Package thermal impedance, θJA, N package: 80℃/W; (9)Package thermal impedance, θJA, NS package: 76℃/W; (10)Package thermal impedance, θJA, PW package: 113℃/W; (11)Storage temperature range, Tstg: –65℃ to 150℃.
Features
SN74HC4066DBLE features: (1)Wide Operating Voltage Range of 2 V to 6 V; (2)Typical Switch Enable Time of 18 ns; (3)Low Power Consumption, 20-μA Max ICC; (4)Low Input Current of 1 μA Max; (5)High Degree of Linearity; (6)High On-Off Output-Voltage Ratio; (7)Low Crosstalk Between Switches; (8)Low On-State Impedance: 50-Ω TYP at VCC = 6 V; (9)Individual Switch Controls.
Diagrams

![]() |
![]() SN7400 |
![]() Other |
![]() |
![]() Data Sheet |
![]() Negotiable |
|
||||||||||||
![]() |
![]() SN7400D |
![]() Texas Instruments |
![]() Gates (AND / NAND / OR / NOR) Quad 2-input Positive-NAND gates |
![]() Data Sheet |
![]()
|
|
||||||||||||
![]() |
![]() SN7400DE4 |
![]() Texas Instruments |
![]() Gates (AND / NAND / OR / NOR) Quad 2-input Positive-NAND gates |
![]() Data Sheet |
![]()
|
|
||||||||||||
![]() |
![]() SN7400DG4 |
![]() Texas Instruments |
![]() Gates (AND / NAND / OR / NOR) Quad 2-input Pos- NAND |
![]() Data Sheet |
![]()
|
|
||||||||||||
![]() |
![]() SN7400DR |
![]() |
![]() IC QUAD 2IN POS-NAND GATE 14SOIC |
![]() Data Sheet |
![]() Negotiable |
|
||||||||||||
![]() |
![]() SN7400DRE4 |
![]() |
![]() IC QUAD 2IN POS-NAND GATE 14SOIC |
![]() Data Sheet |
![]() Negotiable |
|
||||||||||||
(China (Mainland))









