Product Summary
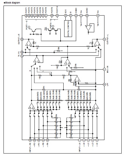
The BH3810FS is a vocal fader IC that is serial control compatible. The BH3810FS has mode switching that also includes a voice multiplexing mode, a five-input selector, a gain selector and other such features, which can all be controlled serially. Eight open-collector terminals and two tri-state terminals are provided on the chip to facilitate control by other ICs. The BH3810FS is used in Component stereo systems, CD radio cassette players, TVs and car stereos.
Parametrics
BH3810FS absolute maximum ratings: (1)Applied voltages VDD: + 5.5V, VEE: -4.5V; (2)Power dissipation Pd: 850mW; (3)Operating temperature Topr: –40 ~ + 85℃; (4)Storage temperature Tstg: –55 ~ + 125℃; (5)Maximum open collector voltage VOP: 14V.
Features
BH3810FS features: (1)Built-in low-pass filter can perform vocal fader functio (erasing of vocals from commercially available music software) using just one chip; (2)Serial control can be used to switch between vocal fader, through, multiplex, and mute modes; (3)Built-in gain selector allows selection of gain from 6dB to 20dB in 2dB steps; (4)Five-channel input selector; (5)Mic. mixing amplifier with mute function. Key controller input also provided; (6)SSOP-A32 pin package.
Diagrams

| Image | Part No | Mfg | Description | ![]() |
Pricing (USD) |
Quantity | ||||||
|---|---|---|---|---|---|---|---|---|---|---|---|---|
![]() |
![]() BH3810FS |
![]() Other |
![]() |
![]() Data Sheet |
![]() Negotiable |
|
||||||
| Image | Part No | Mfg | Description | ![]() |
Pricing (USD) |
Quantity | ||||||
![]() |
![]() BH3810FS |
![]() Other |
![]() |
![]() Data Sheet |
![]() Negotiable |
|
||||||
![]() |
![]() BH3852FS |
![]() Other |
![]() |
![]() Data Sheet |
![]() Negotiable |
|
||||||
![]() |
![]() BH3854AFS-E2 |
![]() |
![]() IC SERIAL SOUND CTRL SSOP-A32 TR |
![]() Data Sheet |
![]()
|
|
||||||
![]() |
![]() BH3856S |
![]() |
![]() IC SRL SOUND CONTROL 2WR SDIP30 |
![]() Data Sheet |
![]()
|
|
||||||
![]() |
![]() BH3857AFV |
![]() Other |
![]() |
![]() Data Sheet |
![]() Negotiable |
|
||||||
![]() |
![]() BH3857AFV-E2 |
![]() |
![]() IC CTRLR AUDIO SOUND SSOP-B40 TR |
![]() Data Sheet |
![]()
|
|
||||||
(China (Mainland))












