Product Summary
The B82793S513N201Z97 is a double choke. The applications of the B82793S513N201Z97 include suppression of asymmetrical and symmetrical interference coupled in on lines. The high-frequency portions of the symmetrical data signal are decreased so far that EMC problems can be significantly reduced.
Parametrics
B82793S513N201Z97 specifications: (1)Rated voltage VR: 42 VAC (50/60 Hz), 80 VDC; (2)Rated current IR: Referred to 50 Hz and 60 ℃ ambient temperature; (3)Inductance tolerance: L ≤ 0.47 mH: ±30 %; L > 0.47 mH: – 30/+ 50 %; (4)Inductance decrease △L/L0: < 10% at dc magnetic bias with IR; (5)Stray inductance Lstray: Measured with HP 4275A.; Measuring frequency at L ≤ 11 μH = 1 MHz, 5 mA; L > 11 μH = 100 kHz, 5 mA; (6)DC resistance Rtyp: Typical values, measured at 20 ℃ ambient temperature; (7)Solderability: (215 ± 3) ℃, (3 ± 0,3) s; (8)wetting of soldering area ≥ 95 % to IEC 60068-2-58; (9)Climatic category: 40/125/56 (–40 ℃/+125 ℃/56 days damp heat test) to IEC 60068-1; (11)Weight: Approx. 0.3 g.
Features
B82793S513N201Z97 features: (1)Case flame-retardant as per UL 94 V-0; (2)Suitable for reflow soldering.
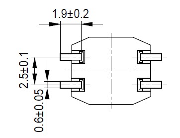
Diagrams

![]() |
![]() B827 |
![]() Other |
![]() |
![]() Data Sheet |
![]() Negotiable |
|
||||||||||||
![]() |
![]() B82719C0 |
![]() Other |
![]() |
![]() Data Sheet |
![]() Negotiable |
|
||||||||||||
![]() |
![]() B82719-C0 |
![]() Other |
![]() |
![]() Data Sheet |
![]() Negotiable |
|
||||||||||||
![]() |
![]() B82719-N365 |
![]() Other |
![]() |
![]() Data Sheet |
![]() Negotiable |
|
||||||||||||
![]() |
![]() B82720A2102N40 |
![]() EPCOS |
![]() Power Inductors RING CORE CHOKE 2X3.0MH 1.0A |
![]() Data Sheet |
![]()
|
|
||||||||||||
![]() |
![]() B82720A2152N040 |
![]() EPCOS |
![]() Power Inductors RING CORE CHOKE 2X1.6MH 1.5A |
![]() Data Sheet |
![]()
|
|
||||||||||||
(China (Mainland))









