Product Summary
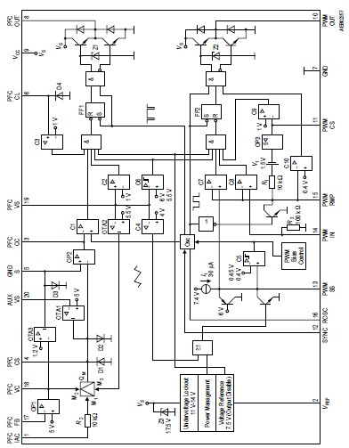
The TDA16888 is a High Performance Power Combi Controller. It comprises the complete control for power factor controlled switched mode power supplies. With its PFC and PWM section being internally synchronized, it applies for off-line converters with input voltages ranging from 90 V to 270 V. The TDA16888 is protected against overvoltages typically above 17.5 V by an internal Zener diode Z3 at pin 9 (VCC) and against electrostatic discharging at any pin by special ESD circuitry. As soon as the supply voltage has stabilized, which is determined by the TDA16888 power management and its soft-start feature at pin 13 (PWM SS), the PWM section will be enabled by means of its internal bias control.
Parametrics
TDA16888 absolute maximum ratings: (1)VCC supply voltage VS: - 0.3 to VZ3 V; (2)Zener current of Z3 IZ3: - 50 mA; (3)VREF voltage VVREF: - 0.3 to 8 V; (4)ROSC voltage VROSC: - 0.3 to 8 V; (5)SYNC voltage VSYNC: - 0.3 to8 V; (6)PFC FB voltage VPFC FB: - 0.3 to 8 V; (7)PFC IAC voltage VPFC IAC: - 0.3 to15 V; (8)AUX VS voltage VAUX VS: - 0.3 to 8 V; (9)PFC VS voltage VPFC VS: - 0.3 to 8 V; (10)PFC CL voltage VPFC CL: - 1 to 3 V; (11)PWM SS voltage VPWM SS: - 0.3 to 8 V; (12)PWM IN voltage VPWM IN: - 0.3 to 8 V; (13)PWM RMP voltage VPWM RMP: - 0.3 to 8 V; (14)PWM CS voltage VPWM CS: - 0.3 to 3 V; (15)PFC VC voltage VPFC VC: - 0.3 to 8 V; (16)PFC VC current IPFC VC: - 20 to 20 mA ; (17)PFC CS current IPFC CS: - 5 to 5 mA ; (18)GND S current IGND S - 5 to 5 mA; (19)PFC CC voltage VPFC CC - 0.3 to 8 V; (20)PFC CC current IPFC CC - 20 to 20 mA; (21)Junction temperature TJ - 40 to 150 ℃.
Features
TDA16888 features: (1)IEC 1000-3 compliant; (2)Additional operation mode as auxiliary power supply; (3)Fast, soft switching totem pole gate drive (1 A); (4)Dual loop control (average current and voltage sensing); (5)Leading edge triggered pulse width modulation; (6)Peak current limitation; (7)Topologies of PFC preconverter are boost or flyback; (8)Continuous/discontinuous mode possible; (9)94% maximum duty cycle.
Diagrams

| Image | Part No | Mfg | Description | ![]() |
Pricing (USD) |
Quantity | ||||||||||||
|---|---|---|---|---|---|---|---|---|---|---|---|---|---|---|---|---|---|---|
![]() |
![]() TDA16888G |
![]() Infineon Technologies |
![]() Power Factor Correction ICs HI PERFORM PWR COMBI CONTROLLER |
![]() Data Sheet |
![]() Negotiable |
|
||||||||||||
![]() |
![]() TDA16888G GEG |
![]() Infineon Technologies |
![]() Power Factor Correction ICs HI PERFORM PWR COMBI CONTROLLER |
![]() Data Sheet |
![]() Negotiable |
|
||||||||||||
![]() |
![]() TDA16888GXK |
![]() Infineon Technologies |
![]() Power Factor Correction ICs High Performance Pwr Combi Controller 19V |
![]() Data Sheet |
![]() Negotiable |
|
||||||||||||
![]() |
![]() TDA16888GGEGXT |
![]() Infineon Technologies |
![]() Power Factor Correction ICs High Performance Pwr Combi Controller 19V |
![]() Data Sheet |
![]()
|
|
||||||||||||
![]() |
![]() TDA16888 |
![]() Infineon Technologies |
![]() Power Factor Correction ICs HI PERFORM PWR COMBI CONTROLLER |
![]() Data Sheet |
![]() Negotiable |
|
||||||||||||
(China (Mainland))










