Product Summary
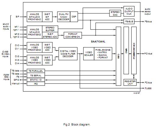
The SAA7134HL is a PCI audio and video broadcast decoder for TV capture in the PC, for analog TV and digital video broadcast. The various multimedia data types are transported over the PCI-bus by bus-master-write, to optimum exploit the streaming capabilities of a modern host based system. Legacy requirements are also taken care of.
Parametrics
SAA7134HL absolute maximum ratings: (1)VDDD, digital supply voltage: -0.5 to +4.6 V; (2)VDDA, analog supply voltage: -0.5 to +4.6 V; (3)△VSS, voltage difference between pins VSSA and VSSD: 100 mV; (4)VIA, input voltage at analog inputs: -0.5 to +4.6 V; (5)VI(n), input voltage at pins XTALI, SDA and SCL: -0.5 to VDDD + 0.5 V; (6)VID, input voltage at digital I/O stages: -0.5 to +4.6 V; (7)Tstg, storage temperature: -65 to +150℃; (8)Tamb, ambient temperature: 0 70℃; (9)Vesd, electrostatic discharge voltage: -250 to +200 V.
Features
SAA7134HL features: (1)PCI 2.2 compliant including full Advanced Configuration and Power Interface (ACPI); (2)System vendor ID, etc. via EEPROM; (3)Hardware support for virtual addressing by MMU; (4)DMA bus master write for video, audio, VBI and TS; (5)Configurable PCI FIFOs, graceful overflow; (6)Packed and planar video formats, overlay clipping; (7)I2C-bus master interface: 3.3 and 5 V; (8)Digital video output: ITU and VIP formats; (9)TS input: serial or parallel; (10)General purpose I/O, e.g. for strapping and interrupt; (11)Propagate reset and ACPI state D3-hot.
Diagrams

| Image | Part No | Mfg | Description | ![]() |
Pricing (USD) |
Quantity | ||||
|---|---|---|---|---|---|---|---|---|---|---|
![]() |
![]() SAA7134HL |
![]() Other |
![]() |
![]() Data Sheet |
![]() Negotiable |
|
||||
![]() |
![]() SAA7134HL/V1,518 |
![]() NXP Semiconductors |
![]() Video ICs PCI 9-BIT VID/STEREO |
![]() Data Sheet |
![]() Negotiable |
|
||||
![]() |
![]() SAA7134HLBE-T |
![]() NXP Semiconductors |
![]() Video ICs PCI 9-BIT VID/STEREO DECODER |
![]() Data Sheet |
![]() Negotiable |
|
||||
![]() |
![]() SAA7134HLBE |
![]() NXP Semiconductors |
![]() Video ICs PCI 9-BIT VID/STEREO DECODER |
![]() Data Sheet |
![]() Negotiable |
|
||||
![]() |
![]() SAA7134HL/V1,557 |
![]() NXP Semiconductors |
![]() Video ICs PCI 9-BIT VID/STEREO |
![]() Data Sheet |
![]() Negotiable |
|
||||
(China (Mainland))










